
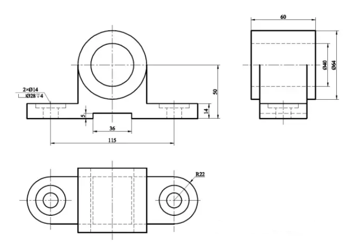
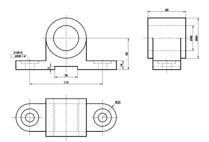
能夠正確反映物體長、寬、高尺寸的正投影工程圖(主視圖,俯視圖,左視圖三個基本視圖)為三視圖,這是工程界一種對物體幾何形狀約定俗成的抽象表達方式。
定義
三視圖是觀測者從上面、左面、正面三個不同角度觀察同一個空間幾何體而畫出的圖形。將人的視線規定為平行投影線,然后正對著物體看過去,將所見物體的輪廓用正投影法繪制出來的圖形稱為視圖。一個物體有六個視圖:從物體的前面向后面投射所得的視圖稱主視圖(正視圖)——能反映物體的前面形狀,從物體的上面向下面投射所得的視圖稱俯視圖——能反映物體的上面形狀,從物體的左面向右面投射所得的視圖稱左視圖(側視圖)——能反映物體的左面形狀,還有其它三個視圖不是很常用。三視圖就是主視圖(正視圖)、俯視圖、左視圖(側視圖)的總稱。
投影規則
主俯長對正、主左高平齊、俯左寬相等
即:
主視圖和俯視圖的長要相等
主視圖和左視圖的高要相等
左視圖和俯視圖的寬要相等。
在許多情況下,只用一個投影不加任何注解,是不能完整清晰地表達和確定形體的形狀和結構的。如圖所示,三個形體在同一個方向的投影完全相同,但三個形體的空間結構卻不相同。可見只用一個方向的投影來表達形體形狀是不行的。一般必須將形體向幾個方向投影,才能完整清晰地表達出形體的形狀和結構。

我們設立三個互相垂直的平面,叫做三投影面。這三個平面將空間分為八個部分,每一部分叫做一個分角,分別稱為 Ⅰ 分角、 Ⅱ 分角…… Ⅷ 分角,如圖所示。我們把這個體系叫三投影面體系 ,世界上有些國家規定將形體放在第一分角內進行投影。也有一些國家規定將形體放在第三分角內進行投影 , 我國國家標準《機械制圖》 (GB4458.1–84) 規定“采用第一角投影法”。
如圖是第一分角的三投影面體系。我們對體系采用以下的名稱和標記:正對著我們的正立投影面稱為正面,用 V 標記 ( 也稱 V 面 ) ;水平位置的投影面稱為水平面,用 H 標記 ( 也稱 H 面 ) ;右邊的側立投影面稱為側面,用 W 標記 ( 也稱 W 面 ) 。投影面與投影面的交線稱為投影軸,分別以 OX 、OY 、OZ 標記。三根投影軸的交點 O 叫原點。
如圖所示,首先將形體放置在我們前面建立的 V 、 H 、 W 三投影面體系中,然后分別
向三個投影面作正投影。
形體在三投影面體系中的擺放位置應注意以下兩點:
1) 應使形體的多數表面 ( 或主要表面 ) 平行或垂直于投影面 ( 即形體正放 )
2) 形體在三投影面體系中的位置一經選定,在投影過程中是不能移動或變更,直到所有投影都進行完畢。
這樣規定的目的主要是為了繪圖讀圖方便和研究問題的方便。
在三個投影面上作出形體的投影后,為了作圖和表示的方便,將空間三個投影面展開攤平在一個平面上。其規定展開方法是,如下圖所示:
V 面保持不動,將 H 面和 W 面按圖中箭頭所指 , 方向分別繞 OX 和 OZ軸旋轉,使 H 面和 W 面均與 V 面處于同一平面內,即得如圖所示的形體的三面投影圖。
從上述三面投影圖的形成過程可知,各面投影圖的形狀和大小均與投影面的大小無關。另

外,我們可以想象,如果形體上、下、前、后、左、右平行移動,該形體的三面投影圖僅在投影面上的位置有所變化,而其形狀和大小是不會發生變化的,即三面投影圖的形狀和大小與形體和投影面的距離也即與投影軸的距離無關。因此,在畫三面投影圖時,一般不畫出投影面的大小 ( 即不畫出投影面的邊框線 ) ,也不畫出投影軸。
如圖所示,工程上,習慣將投影圖稱為視圖,國家標準規定: V 面投影圖稱為主視圖; H 面投影圖稱為俯視圖; W 面投影圖稱為左視圖。
視圖畫法
在畫組合體三視圖之前,首先運用形體分析法把組合體分解為若干
投影面展開
個形體,確定它們的組合形式,判斷形體間鄰接表面是否處于共面、相切和相交的特殊位置;然后逐個畫出形體的三視圖;最后對組合體中的垂直面、一般位置面、鄰接表面處于共面、相切或相交位置的面、線進行投影分析。當組合體中出現不完整形體、組合柱或復合形體相貫時,可用恢復原形法進行分析。
1.進行形體分析
把組合體分解為若干形體,并確定它們的組合形式,以及相鄰表面間的相互位置,
2.確定主視圖
三視圖中,主視圖是最主要的視圖。
(1)確定放置位置
要確定主視投影方向,首先解決放置問題。選擇組合體的放置位置以自然平穩為原則。并使組合體的表面相對于投影面盡可能多地處于平行或垂直的位置。
(2)確定主視投影方向
選最能反映組合體的形體特征及各個基本體之間的相互位置,并能減少俯、左

視圖上虛線的那個方向,作為主視圖投影方向。圖9-10(a)中箭頭所指的方向,即為選定的主視圖投影方向。
3.選比例,定圖幅
畫圖時,盡量選用1:1的比例。這樣既便于直接估量組合體的大小,也便于畫圖。按選定的比例,根據組合體長、寬、高預測出三個視圖所占的面積,并在視圖之間留出標注尺寸的位置和適當的間距,據此選用合適的標準圖幅。
4.布圖、畫基準線
先固定圖紙,然后,畫出各視圖的基準線。每個視圖在圖紙上的具體位置就確定了。基準線是指畫圖時測量尺寸的基準,每個視圖需要確定兩個方向的基準線。一般常用對稱中心線,軸線和較大的平面作為基準線,

逐個畫出各形體的三視圖
5.畫法
根據各形體的投影規律,逐個畫出形體的三視圖。畫形體的順序:一般先實(實形體)后空(挖去的形體);先大(大形體)后小(小形體);先畫輪廓,后畫細節。畫每個形體時,要三個視圖聯系起來畫,并從反映形體特征的視圖畫起,再按投影規律畫出其他兩個視圖。對稱圖形、半圓和大于半圓的圓弧要畫出對稱中心線,回轉體一定要畫出軸線。對稱中心線和軸線用細點劃線畫出。如圖9-11(b)(e)。
檢查、描深、最后再全面檢查
底稿畫完后,按形體逐個仔細檢查。對形體中的垂直面、一般位置面、形體間鄰接表面處于相切、共面或相交特殊位置的面、線,用面、線投影規律重點校核,糾正錯誤和補充遺漏。按標準圖線描深,可見部分用粗實線畫出,不可見部分用虛線畫出。
視圖關系
這兩條軸把三個視圖加以定位:
三視圖關系
主視圖在圖紙的左上方
左視圖在主視圖的右方
俯視圖在主視圖的下方
主視圖與俯視圖長應對正(簡稱長對正) 主視圖與左視圖高度保持平齊 (簡稱高平齊)
左視圖與俯視圖寬度應相等(簡稱寬相等)
若不按上述順序放置,則應注明三個視圖名稱
首先明確一下,物體的三視圖和物體上、下、左、右、前、后六個方位的對應關系。主視圖的輪廓線表示上、下、左、右、四個方位;左視圖的輪廓線表示上、下、前、后四個方位;俯視圖的輪廓線表示前、后、左、右四個方位。
規定左右為長,上下為高,前后為寬。
正面 側面 背面
一般動畫人設會畫轉面圖(正、1/4 側、正側、3/4側)